OHR-M23系列配电器

  • 产品型号: OHR-M23-27/X-0/X-D 一进一出
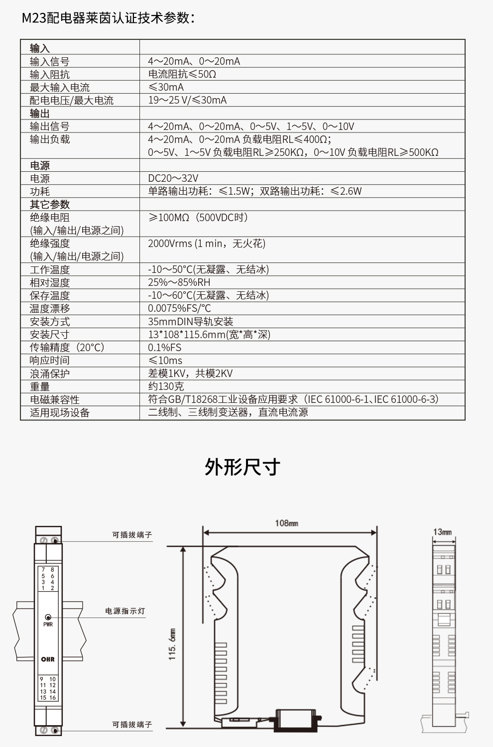
  • 配电器给二、三线制变送器提供隔离的电源电压,将变送器产生的直流电流信号经过隔离传送,转换成所需的信号给其它仪表。可以与单元组合仪表及DCS、PLC等系统配套使用,给予现场仪表信号隔离、信号转换、信号分配、信号处理等,从而提高工业生产过程自动控制系统的抗干扰能力,保证系统的稳定性和可靠性。

    咨询电话 4006007011

    商务邮箱 hrgs@hrgs.com.cn

    虹润官方微信

    fjhongrun

    • 虹润旗舰店 点击这里给我发消息
    • 在线客服

      • 技术客服 点击这里给我发消息
      • 销售客服 点击这里给我发消息
      更多
    • 工作时间

      • 周一至周六8:00-21:00
      • 节假日时间另行通知---
    • 联系方式

      • 联系电话:4006007011
      • 联系手机:18950665619