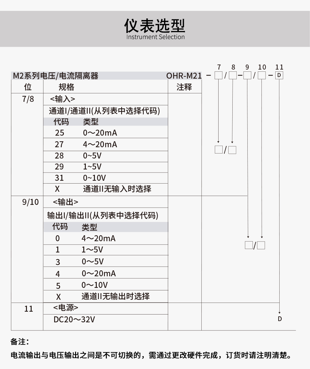
OHR-M21系列电流/电压隔离器
OHR-M21系列电压/电流隔离器将直流电压或电流信号经过隔离传送,转换成所需的信号给其它仪表。可以与单元组合仪表及DCS、PLC等系统配套使用,给予现场仪表信号隔离、信号转换、信号分配、信号处理等,从而提高工业生产过程自动控制系统的抗干扰能力,保证系统的稳定性和可靠性。
1、OHR-M21系列电压、电流隔离器(230720).pdf使用说明书(鼠标右键另存下载)
2、OHR-M21系列电压、电流隔离器选型手册(鼠标右键另存下载)
1、隔离器与安全栅的区别是什么?
答:隔离器与安全栅最明显的区别在于:隔离器用在普通场合,而安全栅用在防爆的场合,安全栅包括输入端与输出端,输入端是危险区到安全区,输出端是安全区到危险区。
2、隔离器与隔离栅有什么区别,在什么情况下用隔离器在什么情况下用隔离栅?
答:隔离器主要作用是隔离现场一次设备中的干扰信号,可以防止信号扰动、不准等问题;隔离式安全栅作用是隔离危险区和安全区之间的危险电压达到防爆目的。一般常规场合都可使用隔离器;隔离式安全栅用在有危险防爆场合的现场。