OHR-X33系列智能配电器

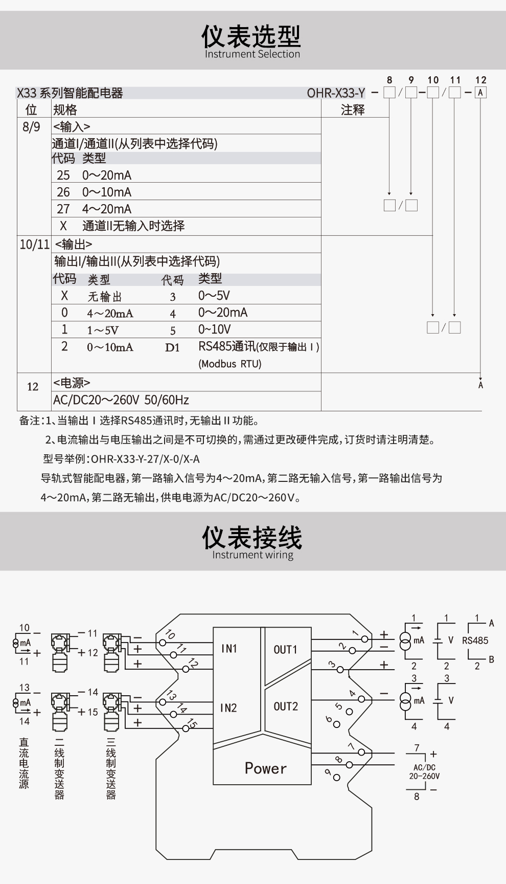
  • 产品型号: OHR-X33-Y-27/X-0/X-A
  • OHR-X33系列导轨式智能配电器给二、三线制变送器提供隔离的电源电压,将变送器产生的直流电压电流信号,经本隔离器转换成所需的输出信号至控制系统。宽电源设计:20-260V交直流供电。配置高清显示单元,通过轻触按键设置每个通道的参数及每个通道之间的切换。

    咨询电话 4006007011

    商务邮箱 hrgs@hrgs.com.cn

    虹润官方微信

    fjhongrun

    • 虹润旗舰店 点击这里给我发消息
    • 在线客服

      • 技术客服 点击这里给我发消息
      • 销售客服 点击这里给我发消息
      更多
    • 工作时间

      • 周一至周六8:00-21:00
      • 节假日时间另行通知---
    • 联系方式

      • 联系电话:4006007011
      • 联系手机:18950665619